|
|
 |
|
|
|

|
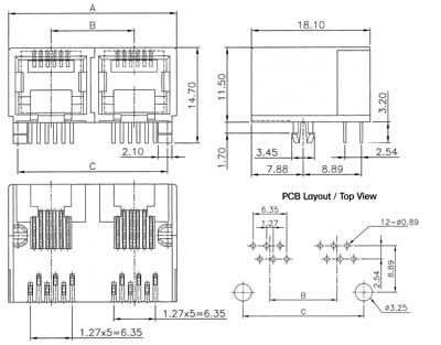
Side Entry Single Level Modular Jacks |
|
 |
 |
|
Modular jack, side entry, single level, 2~8 ports, 6 pos., unshielded, PCB
|
 |
|
|
|
|
MATERIAL
|
|
|
HOUSING:
|
ENGINEERING THERMOPLASTIC, UL 94V-0
|
|
CONTACTS:
|
PHOSPHOR BRONZE, GOLD PLATED OVER NICKEL IN CONTACT AREA, TIN PLATED OVER NICKEL IN SOLDER AREA
|
|
|
|
|
|
# of ports
|
Dimensions (mm)
|
|
A
|
B
|
C
|
|
2
|
25.66
|
12.70
|
22.86
|
|
3
|
38.36
|
25.40
|
35.56
|
|
4
|
51.06
|
38.10
|
48.26
|
|
5
|
63.76
|
50.80
|
60.96
|
|
6
|
76.46
|
63.50
|
73.66
|
|
7
|
89.16
|
76.20
|
86.36
|
|
8
|
101.86
|
88.90
|
99.06
|
|
|
|
 |
|
|
|
Selection explanation:
|
|
Contact plating:
|
0 - gold flash 1 - 6 microinch gold plated 2 - 15 microinch gold plated 3 - 30 microinch gold plated 4 - 50 microinch gold plated
|
|
 |
|
|
|

|
Alpha Center 351 Irving Drive, Oxnard, CA 93030, USA
|
|
“©2021 Alpha Products, Inc. All rights reserved.
|
|
|