|
|
 |
|
|
|

|
Side Entry Single Level Modular Jacks |
|
 |
 |
|
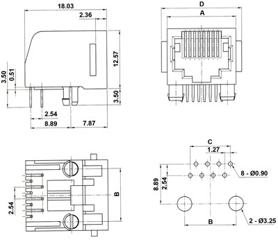
Modular jack, side entry, single level, low profile, unshielded, with or without flange, PCB
|
 |
|
|
|
|
MATERIAL
|
|
|
HOUSING:
|
ENGINEERING THERMOPLASTIC, UL 94V-0, BLACK OR GREY
|
|
CONTACTS:
|
PHOSPHOR BRONZE, GOLD PLATED OVER NICKEL IN CONTACT AREA, TIN PLATED OVER NICKEL IN SOLDER AREA
|
|
|
|
|
|
# of positions
|
# of contacts
|
Dimensions (mm)
|
|
A
|
B
|
C
|
D
|
|
6
|
2, 4, 6
|
13.21
|
10.16
|
6.35
|
15.74
|
|
8
|
8, 10
|
15.24
|
11.43
|
8.89
|
17.78
|
|
|
|
 |
|
|
|
Selection explanation:
|
|
Flange option
|
F - flanged L - flangeless
|
|
Key option:
|
1 - with key 2 - without key
|
|
Contact plating:
|
0 - gold flash 1 - 6 microinch gold plated 2 - 15 microinch gold plated 3 - 30 microinch gold plated 4 - 50 microinch gold plated
|
|
 |
|
|
|

|
Alpha Center 351 Irving Drive, Oxnard, CA 93030, USA
|
|
“©2021 Alpha Products, Inc. All rights reserved.
|
|
|