|
|
 |
|
|
|

|
Side Entry Single Level Modular Jacks |
|
 |
 |
|
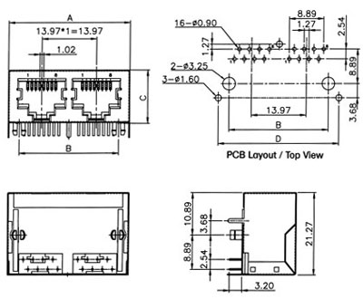
Modular jack, side entry, single level, 1 ~ 12 ports, 8 positions, 8 contacts, CAT5e, PCB
|
 |
|
|
|
|
MATERIAL
|
|
|
HOUSING:
|
ENGINEERING THERMOPLASTI C, UL 94V-0
|
|
SHIELD:
|
BRASS, NICKEL PLATED
|
|
CONTACTS:
|
PHOSPHOR BRONZE, GOLD PLATED OVER NICKEL IN CONTACT AREA, TIN PLATED OVER NICKEL IN SOLDER AREA
|
|
|
|
|
|
# of ports
|
Dimensions (mm)
|
|
A
|
B
|
C
|
D
|
|
1
|
15.88
|
11.43
|
13.65
|
15.49
|
|
2
|
31.12
|
25.40
|
13.80
|
30.87
|
|
3
|
45.09
|
27.94
|
13.80
|
39.37
|
|
4
|
59.06
|
53.34
|
13.80
|
58.81
|
|
5
|
73.03
|
67.31
|
13.80
|
58.81
|
|
6
|
87.00
|
81.28
|
13.80
|
86.75
|
|
8
|
114.94
|
109.22
|
13.80
|
114.69
|
|
10
|
142.88
|
137.16
|
13.80
|
142.63
|
|
12
|
170.82
|
165.10
|
13.80
|
170.57
|
|
|
|
 |
|
|
|
Selection explanation:
|
|
Shielding option:
|
N- not shielded S- shielded
|
|
Contact plating:
|
0 - gold flash 1 - 6 microinch gold plated 2 - 15 microinch gold plated 3 - 30 microinch gold plated 4 - 50 microinch gold plated
|
|
 |
|
|
|

|
Alpha Center 351 Irving Drive, Oxnard, CA 93030, USA
|
|
“©2021 Alpha Products, Inc. All rights reserved.
|
|
|