Side Entry Magnetic Modular Jacks

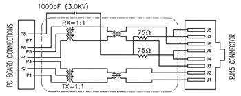
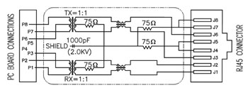
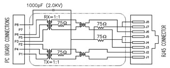
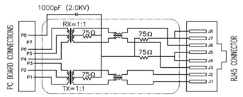
Magnetic schematics

Code

Figure

Q

R

S

T

Alpha Center
 351 Irving Drive, Oxnard, CA 93030, USA

©2021 Alpha Products, Inc. All rights reserved.