|
|
 |
|
|
|

|
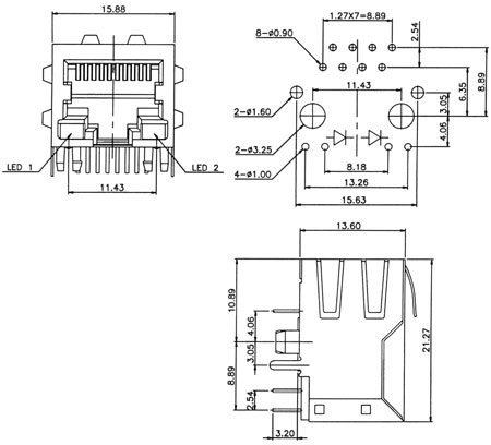
Side Entry Magnetic Modular Jacks |
|
 |
 |
|
Modular jack, side entry, 1 port, RJ45, with LED, PCB mount
|
 |
|
|
|
|
MATERIAL
|
|
|
HOUSING:
|
HIGH TEMPERATURE THERMOPLASTIC, UL 94V-0
|
|
SHIELD:
|
BRASS, NICKEL PLATED
|
|
CONTACTS:
|
PHOSPHOR BRONZE, GOLD PLATED OVER NICKEL IN CONTACT AREA, TIN PLATED OVER NICKEL IN SOLDER AREA
|
|
|
|
|
 |
|
|
|
Selection explanation:
|
|
Shielding option:
|
N - not shielded S - shielded
|
|
Schematic option:
|
Q R S T
|
|
LED option:
|
Code
|
LED2
|
LED1
|
|
Contact plating:
|
0 - gold flash 1 - 6 microinch gold plated 2 - 15 microinch gold plated 3 - 30 microinch gold plated 4 - 50 microinch gold plated
|
|
0
|
no LED
|
no LED
|
|
1
|
yellow
|
green
|
|
2
|
green
|
yellow
|
|
3
|
green
|
green
|
|
4
|
yellow
|
yellow
|
|
 |
|
|
|

|
Alpha Center 351 Irving Drive, Oxnard, CA 93030, USA
|
|
“©2021 Alpha Products, Inc. All rights reserved.
|
|
|