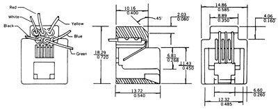
Jack, 6 positions, 4 or 6 contacts, with wire
Part number: 300/272J623K- Select # of contacts 4 6
Alpha Center 351 Irving Drive, Oxnard, CA 93030, USA
“©2021 Alpha Products, Inc. All rights reserved.