|
|
 |
|
|
|

|
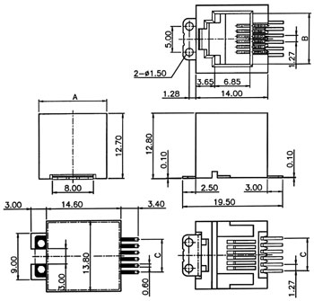
Top Entry Modular Jacks |
|
 |
 |
|
Modular jack, top entry, 4 ~ 10 positions, unshielded, with solder pad, surface mount
|
 |
|
|
|
|
MATERIAL
|
|
|
HOUSING:
|
ENGINEERING THERMOPLASTIC, UL 94V-0
|
|
CONTACTS:
|
PHOSPHOR BRONZE, GOLD PLATED OVER NICKEL IN CONTACT AREA, TIN PLATED OVER NICKEL IN SOLDER AREA
|
|
|
|
|
|
# of positions
|
Dimensions (mm)
|
|
A
|
B
|
C
|
|
4
|
13.21
|
7.82
|
3.81
|
|
6
|
13.21
|
9.85
|
6.35
|
|
8/10
|
15.50
|
11.85
|
8.89/11.43
|
|
|
|
 |
|
|
|
Selection explanation:
|
|
Contact plating:
|
0 - gold flash 1 - 6 microinch gold plated 2 - 15 microinch gold plated 3 - 30 microinch gold plated 4 - 50 microinch gold plated
|
|
 |
|
|
|

|
Alpha Center 351 Irving Drive, Oxnard, CA 93030, USA
|
|
“©2021 Alpha Products, Inc. All rights reserved.
|
|
|