|
|
 |
|
|
|

|
MMCX Series |
|
 |
 |
|
PCB type
|
 |
|
|
|
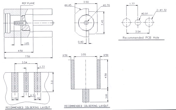
Jack, edge mount
|
Material
|
Body
|
: Brass (see table for plating)
|
|
Insulator
|
: Teflon
|
|
Contact
|
: BeCu, gold plated
|
|
|
Part number
|
Plating
|
|
300/242C1128600
|
Gold
|
|
300/242C1128601
|
Nickel
|
|
|
|
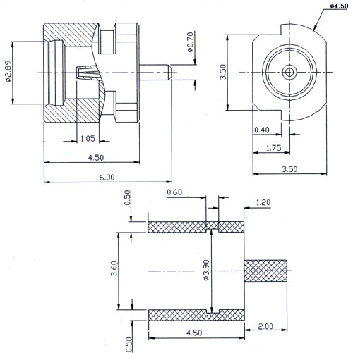
Jack, edge mount
|
Material
|
Body
|
: Brass (see table for plating)
|
|
Insulator
|
: Teflon
|
|
Contact
|
: BeCu, gold plated
|
|
|
Part number
|
Plating
|
|
300/242C1120280
|
Gold
|
|
300/242C1120281
|
Nickel
|
|
|
|
 |
|
|
|

|
Alpha Center 351 Irving Drive, Oxnard, CA 93030, USA
|
|
“©2021 Alpha Products, Inc. All rights reserved.
|
|
|